圣戈班汽车玻璃(上海)有限公司
工业水循环项目
一、单位概况
圣戈班汽车玻璃(上海)有限公司成立于2003年,由法国圣法兰财务管理公司和韩国玻璃工业株式会社共同投资组建,年产能为400万平方米。

企业概貌
二、应用案例介绍
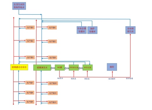
圣戈班始终坚持绿色发展理念,持续开展各项节水技改,用于提高工业水循环效率。已落实的节水措施包括玻璃清洗水循环利用、玻璃磨边冷却水循环利用、中央空调和锅炉冷凝水收集回用、冷却塔排污水串联利用、RO浓水回收利用、生活污水处理回用等8项节水技改项目,形成了完整的工业水循环利用链条。

玻璃磨边

玻璃清洗

企业工业水循环利用系统示意图
三、应用成效
通过系列节水技术改造,企业年节水量达140万立方米。2024年该企业还将厂区所有工业用水水表接入智慧用水管理平台,对每台玻璃清洗设备的水耗进行实时监控,通过不断调试优化设备运行参数,进一步提高工业水循环效率。


企业生活污水处理回用设备
上海乳品四厂有限公司
回收水系统源头节水利用项目
一、企业概况
上海乳品四厂有限公司(以下简称“乳品四厂”)于1982年投产,是光明乳业旗下的一家新鲜乳制品加工厂,目前建有13条生产线,是国内最大的玻璃瓶牛奶生产基地,为华东等地区日均提供百万份牛奶。

企业概貌
二、应用案例介绍
乳品四厂高度重视水资源利用,以提高用水效率为核心,通过技术和管理手段,确保节水目标的实现。
1、洗瓶机冲洗水回收利用于脏瓶浸泡
回收水洁净度的降级使用。将玻璃瓶冲洗后的水进行回收,作为第一道脏瓶的浸泡水,同时达到节水和脏瓶预浸泡的目的。

洗瓶机冲洗水回收系统示意图
2、RO浓水回收再利用
将RO水处理系统的浓水回收后用于脏瓶清洗的第一道冲洗水,同时达到节水和瓶子冲洗的目的。

RO浓水回收再利用设备
3、杀菌机CIP酸碱冲洗水和SIP用水回收再利用
杀菌机排放管上安装二位三通座阀,将杀菌机CIP酸碱冲洗水和SIP用水进行回收过滤,作为CIP清洗的第一道预冲洗水使用。

杀菌机水回收系统示意图
4、CIP终点冲洗水节水改善
设备CIP清洗系统,酸碱清洗后的清水冲洗,终点判定方式由电导率限值替代时间判定。

CIP清洗系统冲洗水削减示意图
三、节水成效
上述节水技改项目总投资8万元,年节水量约6.2万立方米,投资回收期仅为0.2年,产品用水单耗为6.5立方米/吨,优于行业用水定额先进值,经过多年实践,节水改造后生产运行稳定,在同类行业中有较好的推广应用前景。
上海城投水务(集团)有限公司
制水分公司南市水厂
砂滤池反冲洗水回用项目
一、单位概况
南市水厂隶属于上海城投水务(集团)有限公司制水分公司,始建于1902年,占地161.3亩,设计供水规模达70万立方米/日。2009年升级成上海首座全覆盖深度处理现代化水厂。2020年,南市水厂启动智慧建设,实现“按需供应、动态调整”,提升生产质量管理,保障安全、经济、高效运行。

企业概貌
二、应用案例介绍
南市水厂一期、二期砂滤池反冲洗水经废水池调蓄后,通过废水高密池处理,上清液进行排放。二期排泥水经污泥调节池调蓄后,通过污泥浓缩池处理,与污泥脱水分离液混合进行排放。为达到节水减排的目的,厂内通过管道改接和增加阀门,将废水高密池上清液与新建浓缩池上清液分隔,实现砂滤池反冲洗水的回用。

改造前反冲洗水处理工艺流程图

改造后砂滤池反冲洗水处理工艺流程图
三、节水成效
南市水厂废水回用项目总投资5万元,全厂用水量下降20%,预计一年可节约175万立方米的水量。该工艺大幅减少了新水的使用,有助于提升整体环境质量。

砂滤池反冲洗回用水管改造图
上海双汇大昌有限公司
中水回收利用项目
一、单位概况
上海双汇大昌有限公司是一家主要从事肉类加工的大型食品企业,公司设计产能300吨/日,2016年1月份投产运行,2023年全年生产销售肉制品4万余吨,为广大消费者提供健康、放心食品。

企业概貌
二、应用案例介绍
公司建设有一套处理规模为3000立方米/日的污水处理设施,厂区生产、生活废水经过粗格栅-集水井-细格栅-隔油沉淀池-调节池-气浮系统-水解酸化池-好氧池-除磷池-消毒池后,达到三级排放标准,进入市政管网。污水处理系统运行加药、设备冲洗等环节均需要用水冲洗,公司在消毒池后增加一组循环泵,将原本处理达标后的废水回用到污水处理前道工序,用于冲洗格栅、带机等设备,以减少自来水用量。该措施投入少、改造简便,在同类企业可进行复制推广。

废水回用改造示意图
三、节水成效
通过节水改造项目的实施,公司总用水量和产品用水单耗均有所下降,2024年用水量较2023年减少2.22万立方米,为企业节省费用18.04万元,公司产品用水单耗下降了12.58%,降幅在集团公司位列前三。
供水中心供稿